

Features
1. Long service life with reliable seal and without frequent maintenance.
2. Pressure Loss
Too much pressure loss will bring increased cost of correlative energy.?Butterfly valve have flow characteristics three times better than globe valve, and about 75% of a same size gate valve.
3. Multi-Function
Butterfly valve can be used for on/off service and throttling. They are superior in Multi-function as compared to gate valves. Butterfly valve can be widely used in chemical field due to trim options and choice of elastomeric liner.
4. Weight
Butterfly valve have feature of light in weight and small in size, for example, weight and size of a 10” butterfly valve are 1/9 and 1/6 of a 10” gate valve. So, butterfly valve is easy to be installed and saves cost of piping system.
5. Bubble Tight
Butterfly valve with resilient seat design can be bubble tight as compared to metal seated gate or globe valves.
6. Easy of operation
Butterfly valve offer 90-degree open to close.
7. Maintenance
Properly installed butterfly valves are self-cleaning and are less susceptible to failure due to trash material in pipe.


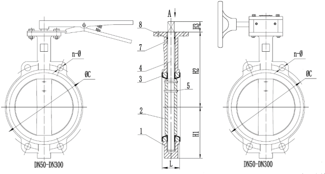
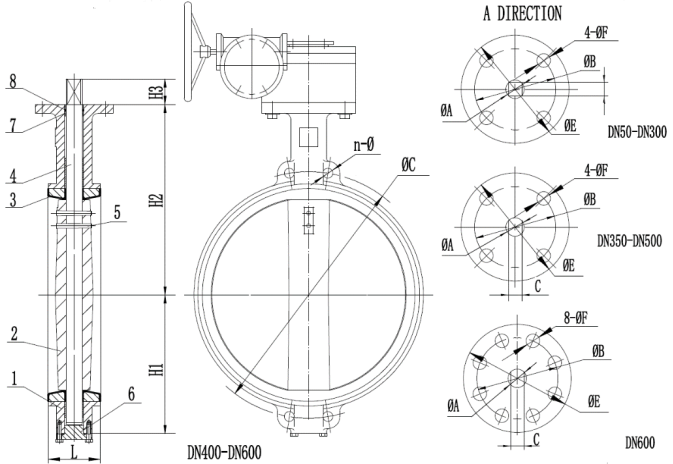
ITEM |
PART NAME |
MATERIAL |
1 |
Body |
DI |
2 |
Disc |
DI/CF8/CF8M/AL-BZ |
3 |
Seat |
EPDM/NBR/VITON/PTFE |
4 |
Stem |
SS416/SS431/SS304/17-4PH |
5 |
Taper Pin |
SS316 |
6 |
Cover |
DI |
7 |
Bushing |
PTFE |
8 |
O-ring |
EPDM/NBR/VITON |

Copyright ? IVALVE TECH. (TONGLING) CO.,LTD. All rights reserved.