

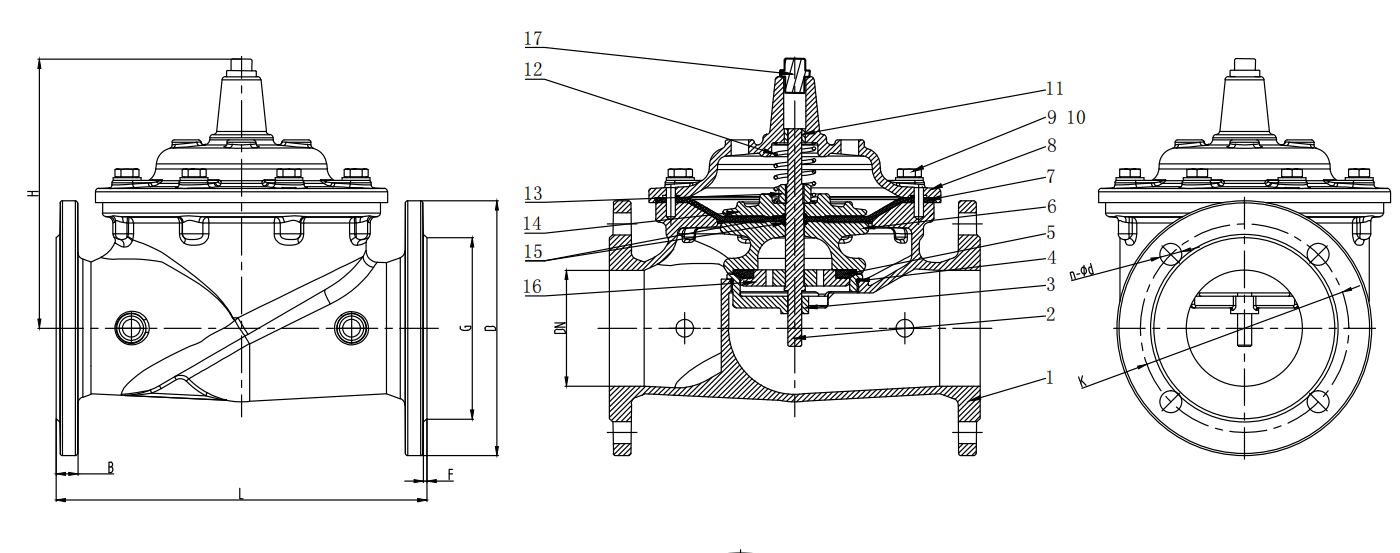
Description
Modulating valve that accurately controls the liquid level in tanks. This valve is designed to open fully when the liquid level reaches a preset low point, and close drip-tight when the level reaches a preset high point. The float pilot is remotely installed inside of reservoir.

Float Pilot


Technical Data




Maintenance
? It need to check the valve and pipe line periodically every months, no matter leakage of pilot systems cause of crash or loosen, also check the controls of pressure or flow rate is stable.?
? It’s easy to handle leakage outside, just tight the fitting.?
? If the valve doesn’t work, there maybe possible reasons, analyze the problem, and solve the problem.?
Copyright ? IVALVE TECH. (TONGLING) CO.,LTD. All rights reserved.