

1. Design according to BS EN 1074-4:2000?
2. Flange according to EN 1092-2:1997?
3. Testing according to EN 12266-1:2012?
? ? Working pressure: 16kg/cm3?
? ? Shell test pressure: 25kg/cm3?
? ? Seat test pressure: 18kg/cm3?
4. Media: clean water
5. External and internal coating: 100% fusion-bonded epoxy?
6. SS304, 316 bolts/nuts/washers are available on request
Technical Data
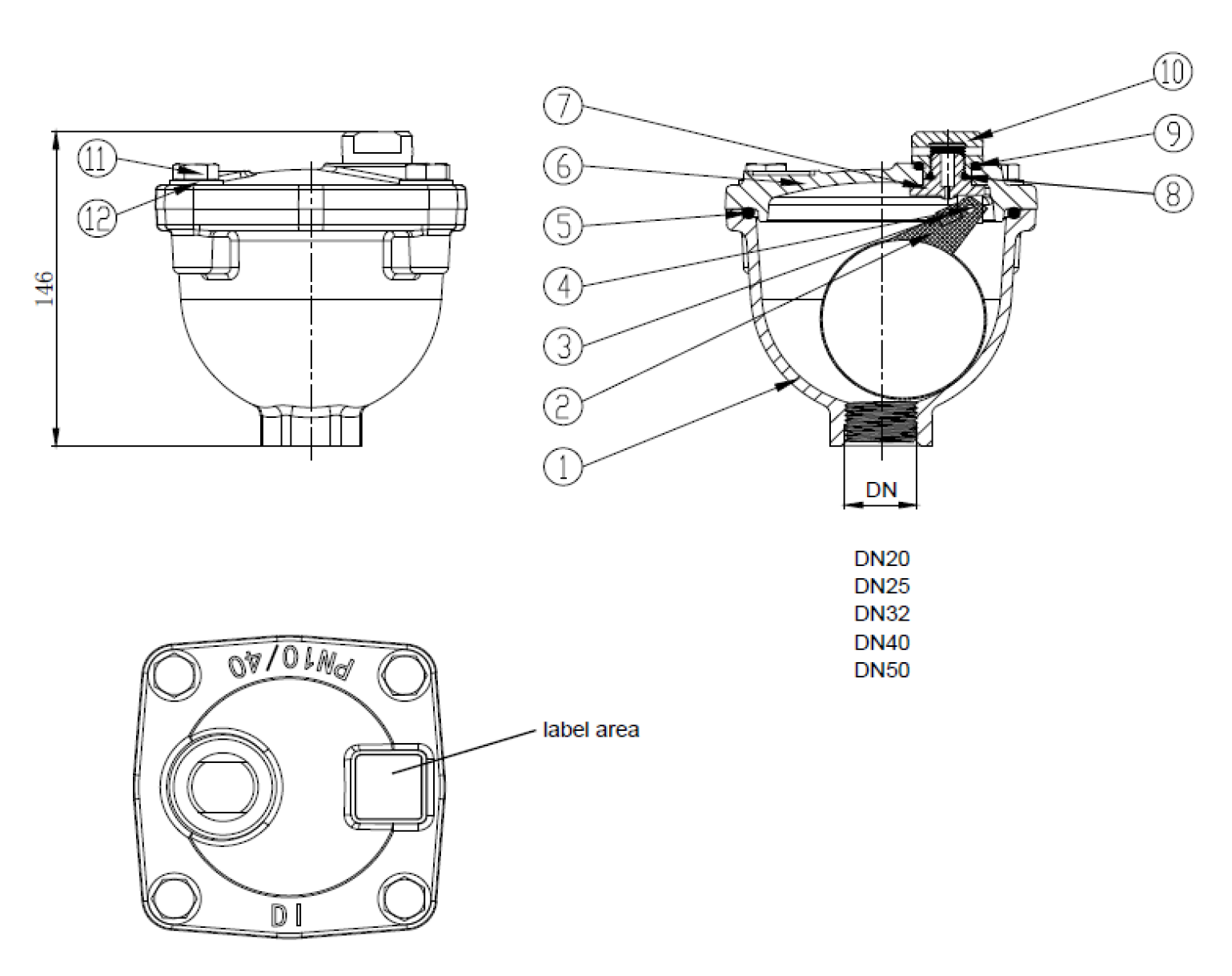
1. SINGLE ORIFICE AIR VALVE

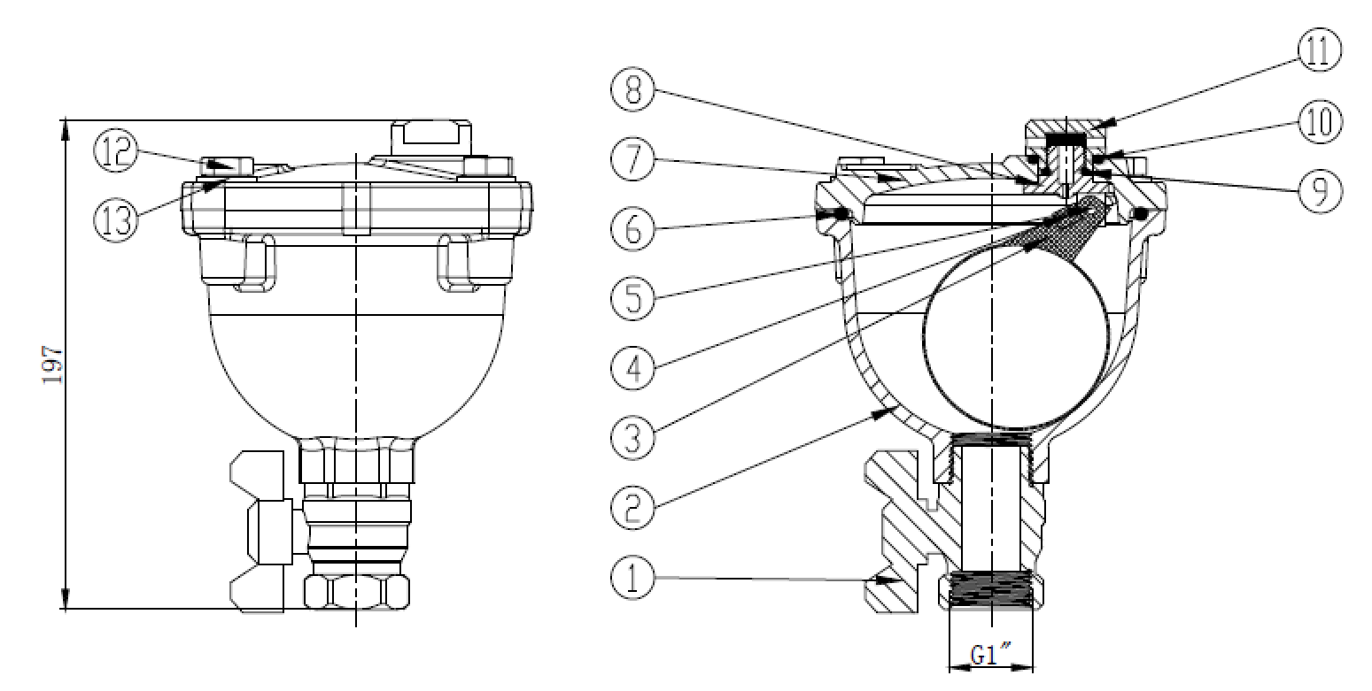
2. SINGLE ORIFICE AIR VALVE + BALL VALVE?

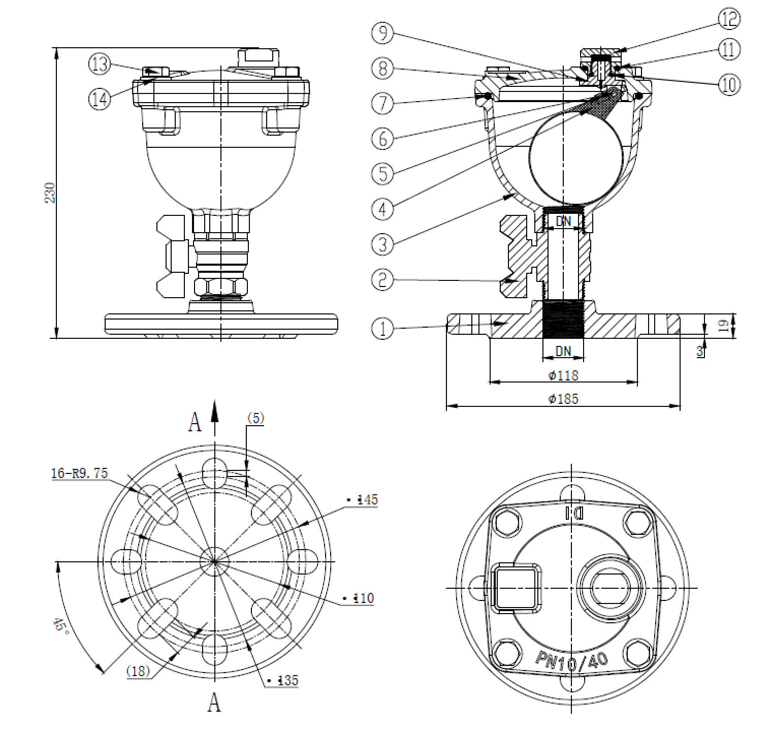
3. SINGLE ORIFICE AIR VALVE + BALL VALVE + FLANGE



Copyright ? IVALVE TECH. (TONGLING) CO.,LTD. All rights reserved.